Amostra

Código da Amostra: CX3-5549-2

Cadastro: 20/05/2021 11:52:41

Usuário: Leilane Souza Scribelk

Última Alteração: -

Área: -

Ponto: -

Poço: 3-BRSA-1267A-RJS

Local de Coleta: Não há observações

Tipo(s) de Amostra: Amostra Lateral

Origem: Projeto

Citação: Não há observações

DOI: Não há observações

Petr. Macroscopia

Cadastro: 04/06/2021 14:08:37

Usuário: Leilane Souza Scribelk

Última Alteração: Não há observações

Origem: Projeto

Citação: Não há observações

DOI: Não há observações

Código da Amostra: CX3-5549-2

Amostra selecionada para laminação?: SIM

Grau de Alteração: PARCIALMENTE ALTERADO

Natureza: COERENTE

% Matriz: 100

% Megacristais: 0

Composição Essencial: CARBONATO: 5%, FELDSPATO: 25%, VIDRO VULCÂNICO: 70%

Composição Acessória: PIRITA: 95%, SULFETO: 5%

Megacristais: Não há observações

Produto de Alteração: CLORITA: 100%

Observações:

A amostra parece representar uma imiscibilidade de líquidos. Ela possui três cores, que devem representar três líquidos magmáticos distintos: o primeiro, em ordem de predominância, corresponde a um material de cor cinza, microfanerítico com grãos brancos colunares visíveis sob lupa binocular, possivelmente feldspato, e material esverdeado, com aspecto vítreo, provavelmente clorita; o segundo corresponde a um material de cor preta, afanítico, bastante fraturado, sendo estas fraturas preenchidas por material de cor branca, possivelmente carbonato; o terceiro corresponde a um material de cor verde azulado, afanítico, com aspecto maciço e também fraturado.

A pirita encontra-se disseminada por toda a amostra, com granulação muito fina (< 1 mm).

Minerais pretos granulares com iridescência estão presentes no material microfanerítico supracitado, com granulação muito fina (< 1 mm).

Dimensão dos Cristais: FANERÍTICA

Observações:

A maior parte da amostra corresponde a um material microfanerítico, constituído por grãos de feldspato e clorita. As outras duas partes menores da amostra correspondem a um material afanítico escuro, interpretado como vidro vulcânico.

Grau de Cristalinidade: HIPOCRISTALINO

Observações:

A amostra é predominantemente microfanerítica, sendo possível observar grãos de feldspato e clorita, que corresponde a porção cristalina da amostra.

Forma Geral dos Grãos: SUBÉDRICO

Observações:

Os grãos de feldspato, clorita e pirita são predominantemente subédricos.

Os grãos de mineral preto iridescente (sulfeto) são anédricos.

Granulometria: MUITO FINA (< 0,1MM)

Observações:

A rocha é predominantemente microfanerítica, com grãos de feldspato e clorita muito finos, e subordinadamente afanítica.

Relação Intergranular: INEQUIGRANULAR

Observações:

A textura inequigranular é dada pela presença de grãos de feldspato e clorita imersos em uma matriz afanítica escura.

Foliações: AUSENTE

Observações: Não há observações

Lineações: AUSENTE

Observações: Não há observações

Fraturas: PRESENTES

Observações:

As fraturas são submilimétricas e encontram-se em todas as três partes da amostra. As fraturas são disseminadas por toda a amostra, porém há fraturas que cortam, ao mesmo tempo, as três porções discriminadas anteriormente (vide foto). A maior parte das fraturas estão preenchidas por material de cor branca, possivelmente carbonato.

Veios: Não há observações

Observações:

Veios preenchidos por carbonato.

Cavidades: Não há observações

Observações:

As amígdalas estão presentes na porção microfanerítica, que predomina na amostra, e corresponde a cerca de 5% desta. Elas são subcirculares e preenchidas por material de cor acinzentada, com aspecto vítreo, possivelmente carbonato. Por vezes, pirita está associada a essas estruturas.

% Matriz: 0

% Clastos: 0

Observações: Não há observações

Classificação Textural: Não há observações

Observações: Não há observações

Borda: Não há observações

Observações: Não há observações

Tipo de Contato: Não há observações

Observações: Não há observações

Composição Essencial: Não há observações

Seleção: Não há observações

Observações: Não há observações

Cor: Não há observações

Observações: Não há observações

Granulometria: Não há observações

Observações: Não há observações

Geometria: Não há observações

Observações: Não há observações

Arredondamento: Não há observações

Observações: Não há observações

Estruturas: Não há observações

Observações: Não há observações

Composição Essencial: Não há observações

Granulometria: Não há observações

Observações: Não há observações

Recristalização: Não há observações

Observações: Não há observações

Cor: Não há observações

Observações: Não há observações

Cimentação: Não há observações

Observações: Não há observações

Foliação Primária: Não há observações

Observações: Não há observações

Fratura: Não há observações

Observações: Não há observações

Outras Estruturas: Não há observações

Observações: Não há observações

Classificação: VULCÂNICA

Observações:

Verificar com Valente.

Imagens e Arquivos: 7

Foto da amostra sobre a bancada (superior).
Foto da amostra sobre a bancada (lateral - 3 porções).
Foto da amostra sobre a bancada (lateral - text. microfanerítica).
Foto da amostra sob lupa binocular (superior).
Foto da amostra sob lupa binocular (lateral - 3 porções).
Foto da amostra sob lupa binocular (lateral - text. microfanerítica).
Foto da amostra sob lupa binocular (lateral - detalhe da fratura que corta as 3 porções).
Petr. Microscopia

Cadastro: 28/09/2021 16:51:04

Usuário: Leilane Souza Scribelk

Última Alteração: Não há observações

Origem: Projeto

Citação: Não há observações

DOI: Não há observações

Código da Amostra: CX3-5549-2

Amostra selecionada para litogeoquímica?: NÃO

Grau de Alteração: PARCIALMENTE ALTERADO

Natureza: COERENTE

% Matriz: 95

% Megacristais: 5

Composição Essencial: PIROXÊNIO: 30%, PLAGIOCLÁSIO: 50%, VIDRO VULCÂNICO: 20%

Composição Acessória: CARBONATO: 90%, MINERAIS OPACOS: 5%

Megacristais: OLIVINA PSEUDOMORFICA: 5%, PLAGIOCLÁSIO: 95%

Produto de Alteração: CARBONATO: 1%

Observações:

A amostra representa um contato entre duas litologias distintas: (1) sedimentar e (2) vulcânica. As duas litologias foram descritas separadamente, a seguir, porém somente a litologia vulcânica foi considerada para as respectivas porcentagens de composição essencial, acessória, megacristais e produtos de alteração.

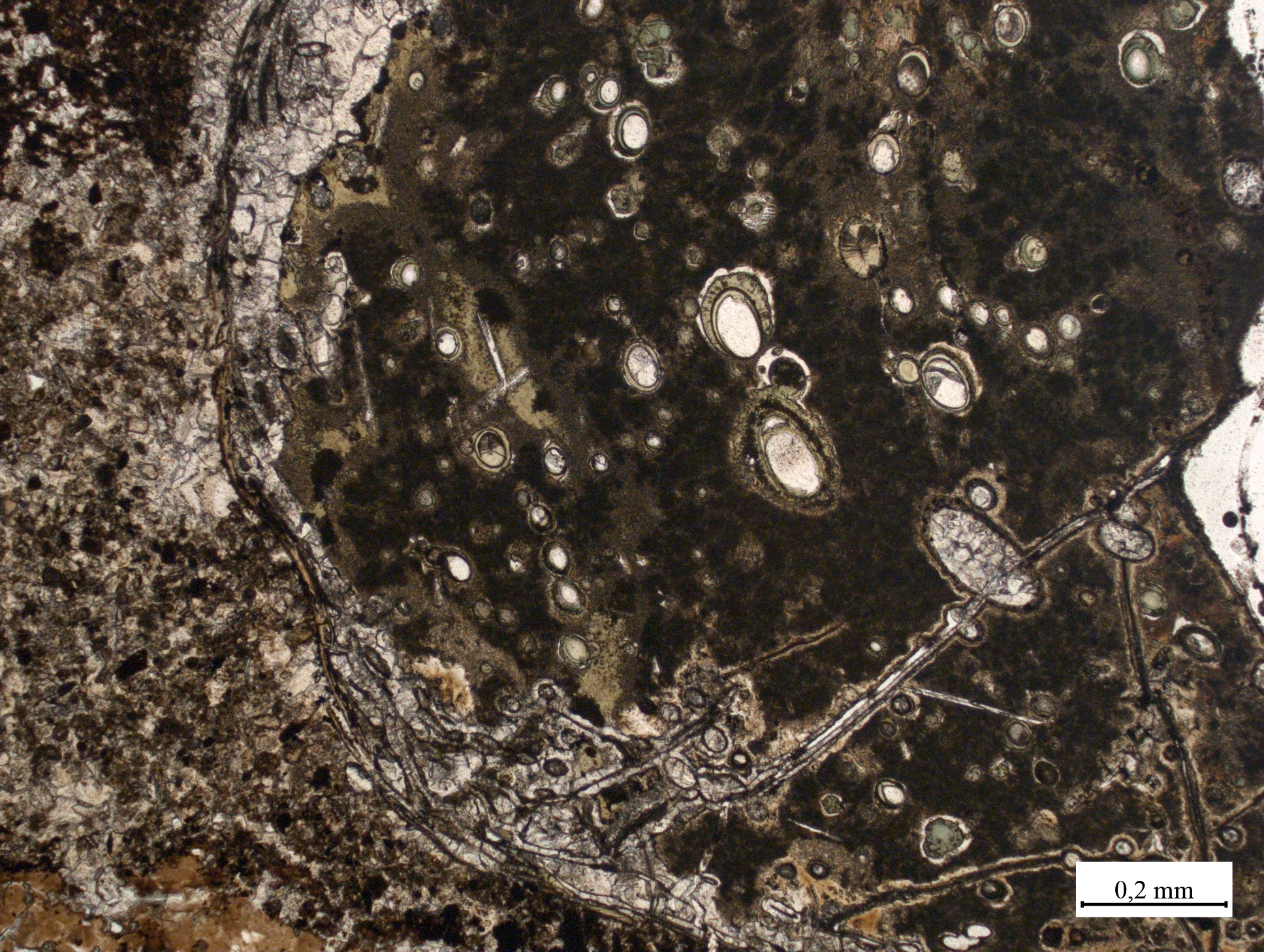
1) Parte da amostra possui cor natural marrom, clastos de carbonato angulosos (70%) em granulação entre areia fina e silte (0,03 a 0,07 mm), matriz carbonática (25%) de granulação muito fina (micrítica), presença de grãos muito finos (< 0,02 mm) de plagioclásio (<1%) e minerais opacos (5%), amígdalas esféricas/achatadas (< 0,2 mm), preenchidas por zeólita e carbonato, dentro de uma amígdala maior (~2 mm), preenchida por carbonato e palagonita (material amarelado, cor de interferência cinza esverdeado). Há diversos veios de carbonato (calcita espática) cortando essa porção da amostra.

2) Outra parte da amostra possui cor natural marrom/amarelada, matriz predominantemente cristalina formada por cristais muito finos a finos (< 1 mm) de plagioclásio e piroxênio e vidro vulcânico alterado parcialmente para palagonita (material amarelado, com cor de interferência cinza esverdeado), presença de aglomerados de megacristais finos a médios de plagioclásio (~1 a 2 mm), alterados parcialmente para carbonato, e pseudomorfos de olivina alterada para carbonato e óxidos de Fe-Ti (isotrópico) em granulação fina. Também há amígdalas predominantemente ameboides/irregulares menores que 1 mm, preenchidas por carbonato e palagonita. 

Próximo ao contato entre as duas litologias há bastante carbonato e material vítreo (cor laranja sob luz polarizada e isótropico/cor de interferência cinza alaranjado), preenchendo fraturas. Presença de minerais opacos em ambas litologias.

Grau de Cristalinidade: HIPOHIALINO

Observações:

Litologia (1): A matriz é micrítica, predomínio de clastos de carbonato angulosos de granulação predominantemente areia fina e grãos de plagioclásio (raros) e minerais opacos em granulação silte.

Litologia (2): A matriz é formada predominantemente por cristais muito finos a finos (< 1 mm) de plagioclásio e piroxênio, além de vidro vulcânico (alterado parcialmente para palagonita) em menor quantidade.

Forma Geral dos Grãos: SUBÉDRICO

Observações:

Litologia (1): 

Litologia (2): 

Granulometria: FINA (0,1MM - 1MM)

Observações: Não há observações

Relação Intergranular: GLOMEROPORFIRÍTICA

Observações:

Texturas observadas na litologia (1):

Texturas observadas na litologia (2):

Foliações: AUSENTE

Observações: Não há observações

Lineações: AUSENTE

Observações: Não há observações

Fraturas: PRESENTES

Observações:

Fraturas próximas ao contato entre as duas litologias, com material vítreo (cor laranja sob luz polarizada e isótropico/cor de interferência cinza alaranjado) e carbonato preenchendo-as. 

Na litologia (1) ocorrem diversas fraturas preenchidas por material carbonático.

 

Veios: Não há observações

Observações:

Veios de carbonato e material vítreo.

Cavidades: Não há observações

Observações:

Litologia (1): Amígdalas esféricas/achatadas menores que 0,2 mm, preenchidas por zeólita e carbonato, inclusas em uma única amígdala de tamanho maior (~2 mm), preenchida predominantemente por palagonita (no centro) e, subordinadamente, por carbonato (próximo das bordas).

Litologia (2): Amígdalas predominantemente ameboides, com formas irregulares (textura diktitaxítica), menores que 1 mm, preenchidas por carbonato e palagonita. Aparecem associadas a minerais opacos e, por vezes, contornadas por palagonita (quando preenchidas por carbonato).

% Matriz: 0

% Clastos: 0

Observações: Não há observações

Classificação Textural: Não há observações

Observações: Não há observações

Borda: Não há observações

Observações: Não há observações

Tipo de Contato: Não há observações

Observações: Não há observações

Composição Essencial: Não há observações

Seleção: Não há observações

Observações: Não há observações

Cor: Não há observações

Observações: Não há observações

Granulometria: Não há observações

Observações: Não há observações

Geometria: Não há observações

Observações: Não há observações

Arredondamento: Não há observações

Observações: Não há observações

Estruturas: Não há observações

Observações: Não há observações

Composição Essencial: Não há observações

Granulometria: Não há observações

Observações: Não há observações

Recristalização: Não há observações

Observações: Não há observações

Cor: Não há observações

Observações: Não há observações

Cimentação: Não há observações

Observações: Não há observações

Foliação Primária: Não há observações

Observações: Não há observações

Fratura: Não há observações

Observações: Não há observações

Outras Estruturas: Não há observações

Observações: Não há observações

Classificação: BASALTO

Observações:

Contato entre rocha sedimentar (1) e rocha ígnea (2):

(1) A rocha foi classificada como calcarenito fino devido a sua composição essencial e granulação predominante.

(2) A rocha foi classificada como basalto microamigdaloidal devido a sua composição essencial, granulometria e amígdalas visíveis apenas microscopicamente.

 

L-16

Imagens e Arquivos: 18

Fotomicrografia do calcarenito (1) (PPL, x1).
Fotomicrografia do calcarenito (1) (XPL, x1).
Fotomicrografia do basalto amigdaloidal (2) (PPL, x1).
Fotomicrografia do basalto amigdaloidal (2) (XPL, x1).
Fotomicrografia do contato entre o calcarenito (1) e o basalto amigdaloidal (2) (PPL, x1).
Fotomicrografia do contato entre o calcarenito (1) e o basalto amigdaloidal (2) (XPL, x1).
Fotomicrografia mostrando a fratura preenchida por material vítreo (laranja/amarelo) e carbonato, no contato entre as duas litologias (PPL, x5).
Fotomicrografia mostrando a fratura preenchida por material vítreo (laranja/amarelo) e carbonato, no contato entre as duas litologias (XPL, x5).
Fotomicrografia mostrando o predomínio de clastos de carbonato angulosos em uma matriz micrítica no calcarenito (1). Notar os veios de calcita espática (PPL, x5).
Fotomicrografia mostrando o predomínio de clastos de carbonato angulosos em uma matriz micrítica no calcarenito (1). Notar os veios de calcita espática (XPL, x5).
Fotomicrografia mostrando amígdalas esféricas/achatadas inclusas em uma amígdala esférica maior no calcarenito (1) (PPL, x5).
Fotomicrografia mostrando amígdalas esféricas/achatadas inclusas em uma amígdala esférica maior no calcarenito (1) (XPL, x5).
Fotomicrografia mostrando aglomerado de megacristais de plagioclásio e olivina pseudomórfica no basalto amigdaloidal (2) (PPL, x5).
Fotomicrografia mostrando aglomerado de megacristais de plagioclásio e olivina pseudomórfica no basalto amigdaloidal (2) (XPL, x5).
Fotomicrografia mostrando amígdalas ameboides preenchidas por carbonato no basalto amigdaloidal (2) (PPL, x5).
Fotomicrografia mostrando amígdalas ameboides preenchidas por carbonato no basalto amigdaloidal (2) (XPL, x5).
Fotomicrografia mostrando aglomerado de megacristais de plagioclásio alterados para carbonato no basalto amigdaloidal (2) (PPL, x5).
Fotomicrografia mostrando aglomerado de megacristais de plagioclásio alterados para carbonato no basalto amigdaloidal (2) (XPL, x5).